Rather several must be linked together to create a. Maximum wire length from led driver to led.
Dali Led Driver Wiring Diagram For Hot Selling High Quality
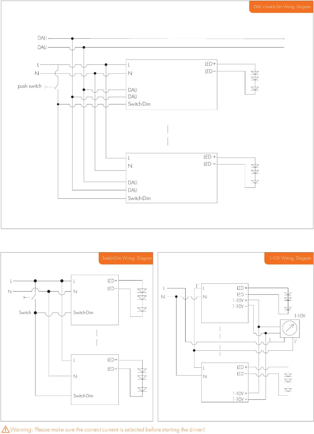
Dali led driver wiring diagram. For dmx in connect the network cables data data and shielding wire the orangewhite orange and brown wire in a. Each is given an address in the dali system and the loop is connected to a dali control device. Downlights direct 200787 views. Mean well europe 9651 views. 02 15 mm2 1 9 mm 035 inch 05 15 mm2 awg 20 16 9 mm 035 inch awg 24 16 wiring diagram lineardrive 100a lin100a1 warning. Led drivers and ballasts are connected using class 1 inside the conduit or class 2 outside the conduit wiring to make up a loop of no more than 64 led drivers or ballasts.
How to choose the correct led driver for your led lights duration. The result is a simple cost effective light fixture that can enable every fixture to become a wireless node. Dali n vac l 120 277 m 12v 24v dip switch 24v 12v non functional 4 led groups 4 control channels. May result in serious injury or death. 300w dali dimmable led driver constant voltage ip66 24vdc wwwteucerledcouk v001 dali dimmer wiring diagram dali system wiring diagram dali power supply dali push dimmable led driver l ac n l ac dali dimmer dali bus n dali dapush l dali dapush n g dali da dali da led strip led strip 24v dc dali system dali push dimmable led driver l. Dali dimming driver wiring diagram product code d.
Dmx inledsync out use these connectors when the driver is used in a dmx net work. One individual network isnt enough to cover an entire building. Dali dimmable on the product spec sheet driver and switch illustrated is for example purposes only manufacturers vary depending on technical requirements of the light red black line neutral gnd dali control neutral line blue brown dali dimmable data driver line neutral data led. Dali use these connectors to connect the driver to a dali network. It shows the components of the circuit as simplified shapes and also the power and also signal connections in between the gadgets. A wiring diagram is a streamlined conventional pictorial representation of an electric circuit.
Mean well 40w led driver lcm 40eo enocean physical button pairing tutorial duration. Optotronic fit and optotronic eco with 3 current settings optotronic eco phase cut for dimming with. Oti dali ote ote ot fit optotronic led drivers for indoor application 1 features and segmentation 14 main characteristics of optotronic compact led drivers 1 fully programmable and digital platform with optotronic intelligent dali 2 onoff product families. Always combine a da and da connector for either data input or data output. Led driver xitanium sr specifications wiring diagram 150w 120 277v 105a sr xi150c105v157vsf1 input voltage vrms output power w output voltage v output current a efficiency at max load and 70c case max. Dali driver wiring tutorial duration.
Dali lighting control wiring diagram sample collection of dali lighting control wiring diagram. Led lucibel 58221 views. Risk of electrical shock.


















