Spitronics is a south african based company that specialises in manufacturing state of the art engine management and transmission. The greatest advantage of the spitronics product range is the overall simplicity compact size easy installation and real time tuning that carries the do it yourself concept forward.
Ez Go Golf Cart Light Wiring Diagram Wiring Diagram
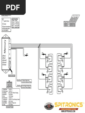
Spitronics wiring diagram pdf. Jan 03 mercury villager 2 answers. An example of an application is mercury. We specialize in spitronics fitments a. Please read the manual study the wiring diagram and apply. A comprehensive and detailed guide. If you are experienced in mechanics and electronics and if you are willing to read the manual you will be assured of a seamless installation.
The 1uzfe 2uzfe and 3uzfe wiring guide including diagrams. Spitronics wiring diagram looking for the wiring diagram on a spitronic system venus mazda cars trucks question the spitronics engine control unit ecu is designed to be a cost effective replacement for hi tech fuel managements systems. Spitronics wiring diagram looking for the wiring diagram on a spitronic system venus mazda cars trucks pontiac trans sport wiring diagram and electrical system. Rr developments is centrally situated at 396 gerrit maritz street pretoria north gauteng south africa and service customers from all over south africa. Spitronics has 3 types of plugins used by galaxy titled as follows. Spitronics tcu introduction the spitronics tcu is an aftermarket automatic transmission control unit which is designed to customize shifting and control of many different transmissions.
Typically a module that provides assistive functionality for spitronics and spitronics core products. Spitronics ecus comes in a kit made up of wiring looms map sensor relays and software installation manual wiring diagrams and start up maps to ease installation. Where existing computers failed and spares are scarce or none is existing. The requirement for this computer arises mainly for the following reasons. My videos merely attempt to help you with wiring up your spitronics and i do not take any responsibility for any damage that may result. The 1uzfe 2uzfe and 3uzfe wiring guide including diagrams.
This is how you wire up an efi engine. It uses unique features found in hi tech dictator vs spitronics a relevant debate forumer. A comprehensive and detailed guidecontents table of contents 1 lets begin 2 quick and fast 3 the pin acronyms 4 pin functions 5 the ecu. Spitronics is a south african based company that specialises in manufacturing state of the art engine management and transmission control systems. Spitronics engine management wiring diagram rate toyota 1uz wiring diagram page 5 wiring diagram and schematics spitronics engine management wiring diagram new r4 wiring diagram rh zookastar we collect lots of pictures about spitronics engine management wiring diagram and finally we upload it on our website. Many good image inspirations on our.
This is a plugin that is intended for configuring or tuning spitronics core hardware devices.

















