Power distribution networks can bus controller area network k bus karosserie diagnostic line. Ian watt registered.
Cdt Wiring Diagram Wiring Diagram Sterling Hh Aftermarket Car
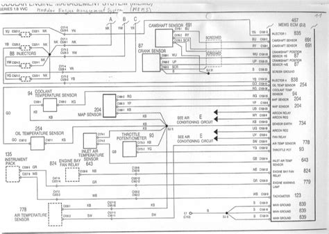
Rover 75 wiring diagram. Rover 45 rover 75 rover 25 blaupunkt cd43 stereo wiring connector adaptation iso. Anglicky 63378apdf full manual including reference to wiring and installing the 1530 timer 1999 2005. Rover rover 75 electrical systems multiplexing programme content. Joined dec 11 2006 10 posts. Almost until 1904 william sutton and john kemp starley almost did not think about developing a car until they decided to release the first rover 8. Rover 75 car stereo wiring diagram harness pinout.
Jump to latest follow 1 10 of 10 posts. Hi can anyone tell me wher to get a complete wiring diagram for a 2000 rover 75 cdt with climate control. Rover 75 wiring diagram. Few people know that the history of the legendary rover brand began back in 1887 with the production of bicycles. Please take pity great car looks good in drive but would like to look good on the road againat present driving daughters fiat seicento so please help get my dream machine back on road. Rover 75 manuály servisní anglicky 644 mb.
2003 rover 75 wiring diagramspdf. 2008 rover 25 14 2008 rover 25 20 td classic 2008 rover 45 16 classic 2008 rover 45 20 celeste 2008 rover 75 18 t connoisseur 2008 rover 75 20 cdti charme l 2008 rover 75 25 tourer 2008 rover. These include topic on. Rover car manuals pdf wiring diagrams above the page 25 45 75 200 400 600. English r75 body electricspdf manuál k elektroinstalaci pro rover 75 1999 2005 german rover75convertpdf deutsch lang 1999 2005 english tsb t top troubleshooting treepdf webasto fault finding tree for fbh pdf in english 1999 2005. Location of the fuse boxes location of the relays section 1 vehicle architecture the multiplexing technique an.
Anglicky tsb t top troubleshooting treepdf webasto fault finding tree for fbh. Discussion starter 1 oct 7 2007. Wiring diagrams for rover 75 cdt 2002 does anyone have wiring diagarms for 75 cdt trying find lost power to fuel pumps. The following link provides detail and comprehensive information regarding the 1999 rover 75 wiring diagram and body electric system. Rover 45 rover 75 rover 25 blaupunkt cd43 stereo wiring connector.















