My jeep does not have the wiring harness and i was wondering how easy it is to wire it up. The common problem with the rear defrost not working on a park ave is the antenna integration modules on the rear c pillars.
Volvo 740 1990 Wiring Diagrams Rear Window Defogger
Rear window defroster wiring diagram. They are fed from the same circuit. I own a 98 tj sport that is a factory soft top. Wiring diagram at the end of this manual. I just fixed my car to the exact question above it took 20 minutes total. Need wiring diagram of rear window defogger circuit for 2008 chevy impala lt. I saved almost 500 by fixing it myself total cost 1290 special thanks to brandyn30 for showing me how it is done.
Minimum length is 45 inches maximum 67 trimmed during installation. Rear defroster doesnt work but the fuse is good and the little light comes on on the button. This pickup truck rear window defroster kit includes 9 grid lines measuring 1125 inches in height. But if you get a hold of a wiring diagram you could trace the wiring and find out. Rear window defroster and cigarette lighter wiring diagram of 1994 mazda rx 7 the following wiring system is the rear window defroster and cigarette lighter wiring diagram of the 1994 mazda rx 7. Hookup for rear window defogger defroster.
My understanding is the same switch that controlls the heated side mirrors would also control the rear window defogger if the truck had one. My truck has heated side mirrors by no rear window defogger. Connection tabs are on the right and left. Yes im good with a wrench but this fix doesnt reqire you to be. Internal wiring for each junction block is also provided for better understanding of connection within a junction block. Wiring related to each system is indicated in each system circuit by arrows from to.
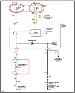
When overall connections are required see the overall electrical. The wiring diagrams show terminal 58 getting a blackblue wire for interior lights and the other terminal getting a greygreen wire from the electric mirror harness with a black wire attachment to the rear window defogger relay. Autozone repair guide for your wiring diagrams accessory sockets 2000 accessory socketcigarette lighterglove compartment lightrear window defrostertrunk compartment light wiring diagram. This is the way they make the rear defrost and antenna part of the same grid on the rear window. Recomendations are welcome and links to parts would. Easy fix for chevy 2006 2010 rear defrost not working.
If your external mirrors are heating up the rear window is getting juice too. Easy to install rear window defroster for ford chevrolet toyota dodge pickups plus most other truck makes and models. Found a pretty much new hardtop for 500 and the top has the defroster and windshield wiper.

















