Relay logic is all about wiring up relays for logical switching applications. Dpdt relay wiring diagram this is the diagram below to learn all the pin terminals of a double pole double throw dpdt relay.
Relay Fundamentals Kele Com
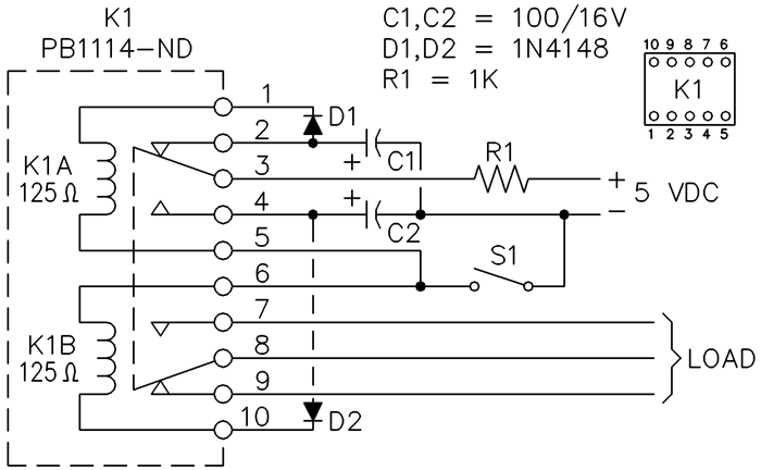
Dpdt latching relay wiring diagram. Dpdt relay wiring diagram how to build a relay driver circuit types of relays relay terminals relay wiring diagrams. Sp switches control only one electrical circuit. May be used with model railroad snap switches for position feedback signal lights or routing frog power. The latching relay maintains its position after the actuating switch has been released so it performs a basic memory function. This page demonstrates several simple ways to wire a relay for various applications. Latching power relay with dpdt double pole double throw contacts plus quick connect or screw terminals flyback voltage protection and printed circuit board for convenient mounting.
When the relay receives 12 volts of power the relay snaps from the nc position to the no position. The diagram above shows how such a relay can be used to make a latching relay circuitthe circuit has two buttons one is a push to make which closes when pressed but is otherwise open and the other is a push to break which opens when pressed but is otherwise closed. Place the relays rated coil voltage on these terminals. What do spst spdt dpst and dpdt mean. The red led and the dc fan now shut off and the green led and the dc motor now turn on and operate. The 2 coil terminals is where the voltage is placed in order to energize the coil.
Posted on 4102020 write your own review. Relay logic provides you with a guide for using ncd relay controllers and how they can be wired for many types of applications. It could have used an easy to understand wiring diagram to help with installation but once i figured out how to wire it up it works flawlessly. Dpdt switch wiring diagram guitar refrence carling dpdt rocker new dpdt relay diagram electrical outlet symbol 2018 building circuitry diagrams show the approximate places and interconnections of receptacles illumination and irreversible electrical solutions in a structure. When the push to make button is pressed 12v goes across the coil energising the relay. Dp switches control two independent circuits and act like two identical switches that are mechanically linked.
Beuler 5086e mechanical dpdt 12v latching relay. Sp and dp refer to single pole and double pole st and dt refer to single throw and double throw. It is controlled by two momentary acting switches or sensors one that sets the relay and the other resets the relay. Pole refers to the number of circuits controlled by the switch. A latching relay is a two position electrically actuated switch.
















