They are identical except for the wiring at terminal j5. Regenerative braking providing longer operation on a single.
Vl 7011 Motor Control Circuit Diagram Further Curtis
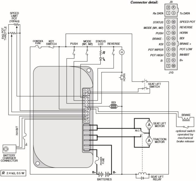
Curtis controller wiring diagram. The wiper and one end of the pot is connected to the controller. This wiring is also shown in the standard wiring diagrams figs. October 16 2018 by larry a. Wiring diagram curtis controller wiring diagram curtis controller 1268 5504 wiring diagram curtis motor controller schematic how to wire 72 volt dc curtise controller wireing diagram for curtis 1225 controller. D like all curtis motor controllers the 1268 offers superior operator control of the vehicles motor drive speed. 3a and 3bthe curtis pmc c electronic dc motor speed controller is designed for permanent magnet motor applications in mobility aids scrubbers sweepers agvs etc.
On the pictures below ill show the steps i taken while upgrading the curtis dc motor controller. It offers smooth silent cost effective control of. Curtis 1204 controller wiring diagram wiring library curtis controller wiring diagram wiring diagram contains several in depth illustrations that display the relationship of various things. Below is the picture of typical wiring diagram for the club car controller. Please note that this controller uses a 3 wire 5k pot. It offers smooth silent cost effective control of motor speed andtorque.
Instrumentation motor speed controllers inverters integrated systems drive systems and engineering support for electric vehicle designers. In the configuration in figure 5 the reverse input is active. Wellborn variety of curtis controller wiring diagram. Advanced technology for evs. The second end is tied to b. This is a stock replacement controller that is a drop in replacement.
A wiring diagram is a streamlined standard photographic representation of an electrical circuit. 2 curtis 1268 manual rev. It reveals the parts of the circuit as simplified shapes and also the power and signal connections between the tools. 48v club car curtis controller wiring diagram curtis controller capacitor ezgo controller wiring club car curtis controller wiringthe curtis pmc c electronic dc motor speed controller is designed for permanent magnet motor applications in mobility aids scrubbers sweepers agvs etc. It consists of guidelines and diagrams for various varieties of wiring techniques as well as other things like lights home windows and so forth. Basic configurations two basic wiring diagrams are shown.
In the configuration in figure4 the main contactor driver is active. Diy golf cart shows you how to install a curtis golf cart controller in an ezgo txt series golf cart.














