Vox diagrams schematics and service manuals download for free. 550020 1044111000 potentiometer b100k ac30 1 550020 1054110000 potentiometer a1m ac30 2 550020 2044110000 potentiometer a200k ac30 1 550020 2254114000 potentiometer c22m ac30 1 550020 5044110000 potentiometer a500k ac30 4 550020 5044111000 potentiometer b500k ac30 1 550031 2200513121 fuse 51s050h 1 550031 2200515122 fuse tsd63a 5x20 1.
Schematics Service Manual Or Circuit Diagram Lt Br Gt For Vox
Vox ac30 wiring diagram. Download diagram ac30 power amp section of the top boost re issue 1993 onward download diagram ac30 pre amp section of the top boost re issue 1993 onward download diagram ac range. Page 11 13 1st edition issued date. To view this site you must enable javascript or upgrade to a javascript capable browser. Summary of contents for vox ac30cc2 page 1 ac30cc2 ac30cc2x contents assembly sketch. Vox 847 1980 lah vox 847 wah lah vox 1900 phaser vox 1901 dist vox 1902 flanger vox 1903 compressor vox 1904 wah vox 1905 chorus vox ac4 amplifier 1960 schematic vox ac4 schematic vox ac10 1 schematic vox ac10 2 schematic vox ac10 amplifier 1960 alt schematic vox ac10 amplifier 1960 alt schematic vox. They originate at a service distribution panel which has one neuter bus bar and 2 hot bus bars.
If you want to know what vox is up to nowadays check out the vox amps site. Check out the vox showroom for more historic information on the vox amps. Voxac30pdf 1162 kb 21. Vox tube amp schematics hoffman amps tube amp schematic library. Page 2 pcb components location. There are hundreds of pages of tube amp information on my.
21 2005 issued by. Page 6 10 parts list. Congratulations on your purchase of the vox guitar amplifier custom series ac30c2xac30c2 ac15c1. Vox amp schematics to assist you with your amplifier repairs and modifications. Assembly parts list ac30h2 rn part code part name description 1 530000000057 golden logo golden vox 2 530000000977 front baffle black spray brown diamond cloth 3 530000000915 vox bronzing badge black abs text bronzing 4 530000000056 12 speaker celestion alnico blue 5 screw m525 black round head 6 530000000916 rubber feet with steel washer inside 7 wood screw m420pa round head. This amp is the culmination of over 50 years of manufacturing expertise and high quality guitar ampli fier design.
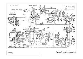
Voxac301960pdf 210 kb 22. Page 3 4 block diagram. How to download vox circuit diagrams. Check out vox ac30 topboost reasons origins for some very interesting reading on the early ac30 circuits. Page 5 circuit diagram. We have taken the best ac designs and added a number of useful features to give you the most tonally flexible ac to date.
Depending on the number of electricity a given circuit needs to deliver it could embed to only two hot bus bars or one hot bus bar and the. Common information for vox amplug schematic related with that the circuits that deliver electricity to the diverse zones are called as subsidiary circuits. Click the link above for tube amp info schematics board building information projects mods transformer diagrams photos sound clips. Javascript is disabled on your browser.















