Subaru auto subaru forester 2013 owner s manual 88541. Coupe subaru xt 1990 2dr coupe wiring information.
Subaru Justy 1987 1994 Chilton
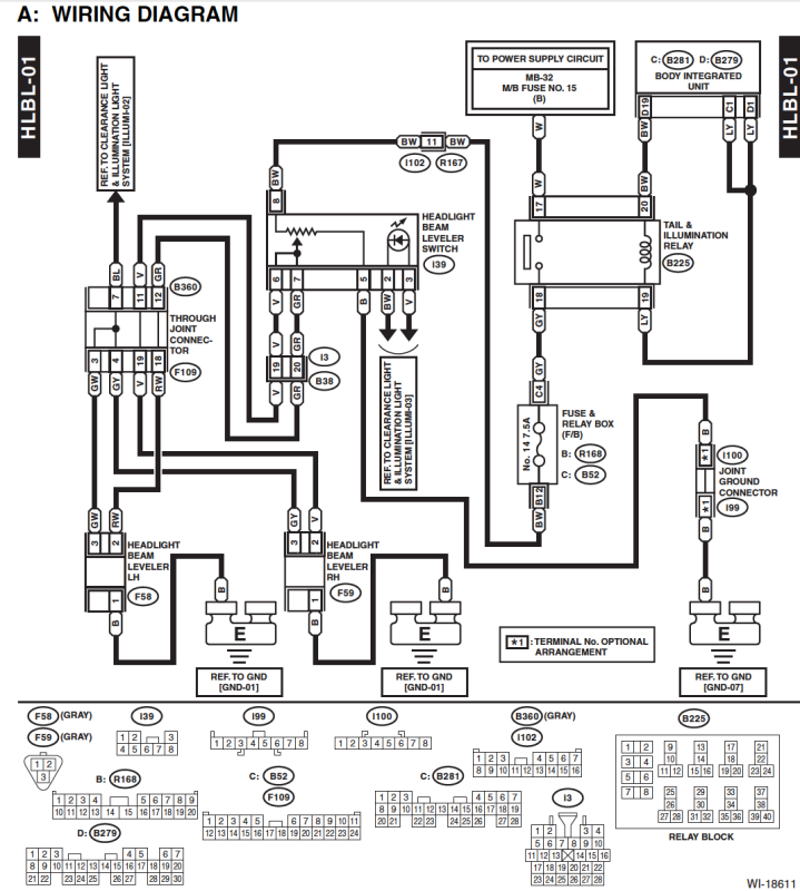
Subaru justy wiring diagram. 1994 subaru justy 2dr hatchback wiring information. Subaru subaru impreza subaru impreza workshop manual 2012 60. 1993 subaru justy 1992 subaru justy 1991 subaru justy 1990 subaru justy 1989 subaru justy 1988 subaru justy 1987 subaru justy. Assortment of subaru outback wiring diagram. Please login or register. Version listed below is the vehicle specific wiring diagram for your car alarm remote starter or keyless entry installation into your 1987 1993 subaru justy.
Home help search chat welcome guest. Hi captain no ecu its a carb model although there was an ecu for the cvt cearbox if l remember correctly l was thinking of removing the the carb and going lpg with an su carb as they are cheap as chips over here l can get bottles of lpg for forklift trucks quite cheaply here petrol is well over 10 a gallon l wanted to look up how the ignition was arrangedwired. A wiring diagram is a streamlined standard pictorial representation of an electric circuit. 1993 subaru loyale 2dr hatchback wiring information. But my justy is a 1990 fuel injected gl 4 door 4wd 5speed like i said its not something i really need right now but im always fiddling with the wiring on that thing so it would be nice sometimes. Getting my two justys back together after a justy hiatus.
2013 subaru legacy 2012 subaru legacy 2011 subaru. 1987 subaru brat 2dr pickup wiring information. I have the distributor with 2 wires. I just thought they would be nice to have since justy wiring diagrams are not a readily available thing. 2008 2009 subaru legacy outback factory service manual pdf. It reveals the elements of the circuit as simplified shapes and the power and also signal links between the tools.
Wiring diagram jan 1 2010 215722 gmt 5. Anyone here who has a wiring diagram for a justy 12 87. Subaru justy wiring diagram 1982 1982. This information outlines the wires location color and polarity to help you identify the proper connection spots in the vehicle. 1993 subaru impreza 4dr sedan wiring information. Whether your an expert subaru justy mobile electronics installer subaru justy fanatic or a novice subaru justy enthusiast with a 1990 subaru justy a car stereo wiring diagram can save yourself a lot of time.
Automotive wiring in a 1990 subaru justy vehicles are becoming increasing more difficult to identify due to the installation of. 1993 subaru legacy 4dr sedan wiring information. Coupe subaru xt 1987 2dr coupe wiring information. Dont go out of your way or anything. 1993 subaru svx 2dr coupe wiring information. Find the subaru radio wiring diagram you need to install your car stereo and save time.
Subaru auto subaru brz 2012 74610. Having a subaru stereo wiring diagram makes installing a car radio easy. Original subaru justy forum. Does anyone have wiring diagram ignition system for my subaru justy 1991 12l gl.














