Seat alhambra 2005 fuse box diagram circuit wiring diagrams. Started by allbluedave ford galaxy vw sharan seat alhambra.
Seat Alhambra 1 9 1999 Auto Images And Specification
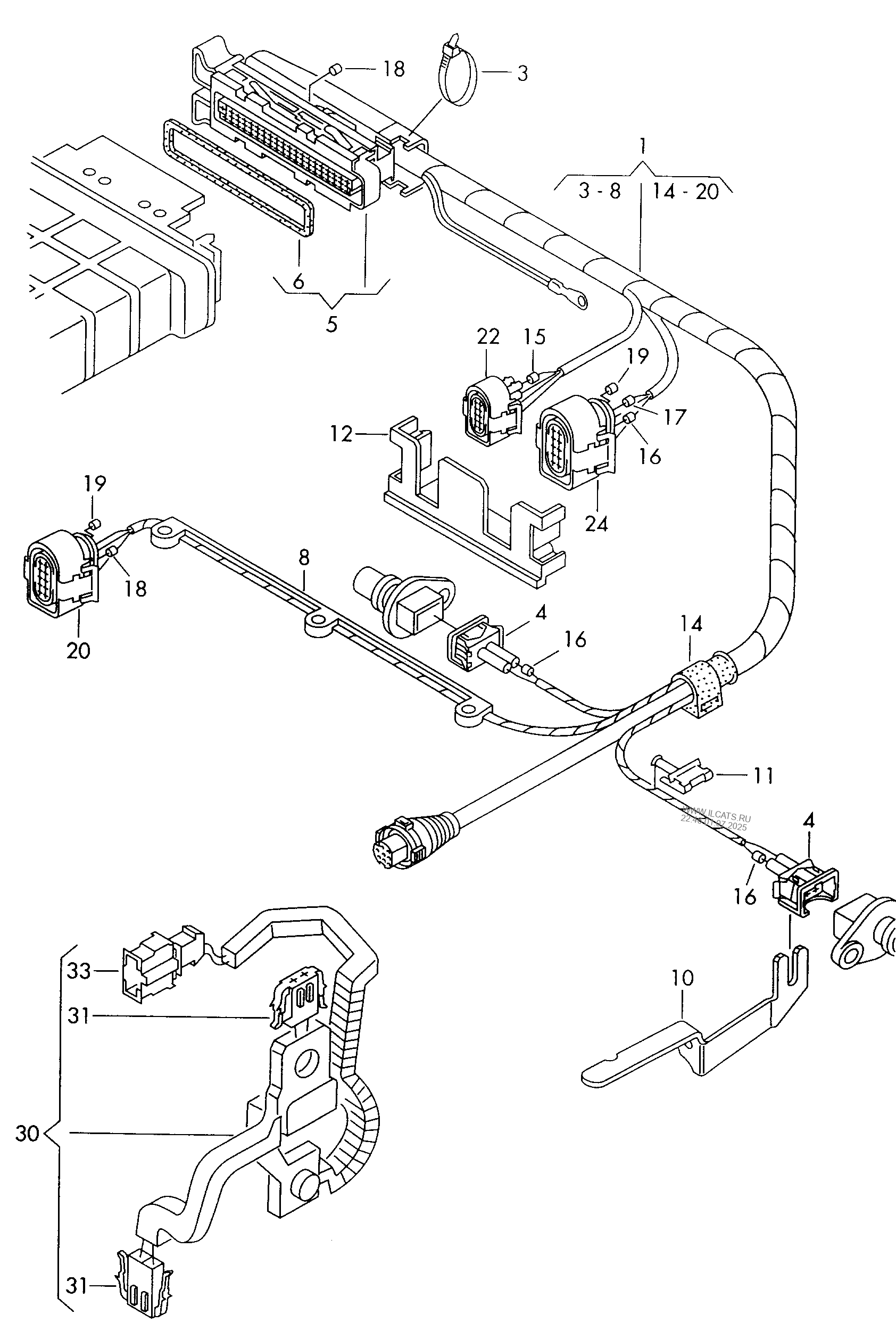
Seat alhambra wiring diagram. Seat alhambra 2005 fuse box diagram this is diagram about seat alhambra 2005 fuse box diagram you can learn online. The same seat alhambra repair manual used by seat garages seat alhambra workshop manual includes step by step instructions with detailed illustrations drawings diagrams and the explanations necessary to carry out the repair servicing and maintenance of your seat alhambra vehicle. 1996 1997 1998 1999 2000 2001 2002 2003 2004 2005 2006. Firstly its illegal and secondly. We get a lot of people coming to the site looking to get themselves a free seat alhambra haynes manual. Looking for a free seat alhambra haynes seat alhambra chilton manuals.
0 replies 4112 views february 05 2013 070731 pm. Ford galaxy vw sharan seat alhambra wiring diagram. Seat car manuals wiring diagrams pdf above the page 127 alhambra altea arona ateca cordoba exeo leon mii toledo. Fuse box diagram location and assignment of electrical fuses and relays for seat alhambra mk17m. Seat alhambra wiring diagrams. Seat fault codes pdf.
Mk1 gal central locking wiring diagram. Related topics subject started by replies latest. There are two things you need to know. The spanish company seat sociedad española de automóviles de turismo was founded in 1950 and was engaged in the production of cars under the license of fiat. In 1982 the partnership was broken and seat became interested in the.












