Wiring rs 485 networks daisy chain topology in practice the wiring of a daisy chain topology is most easily implemented by using the rs 485 connector on the device to link the network to the upstream and downstream nodes. But it does give some guidelines.
2 Wire For Modbus Rs485 Wiring Diagram Diagram Base Website
Rs 485 wiring diagram. Two wires are required for each signal. Rs 485 eiatia 485 differential data transmission system basics. Activation should be carried out by a knx specialist. To transmit a logic 0 line b is low and line a is high. To transmit a logic 1 line b is high and line a is low. This document attempts to explain correct methods of wiring rs485 communication networks in industrial environments based on various application notes and technical articles.
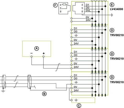
Rs485 4 wire wiring diagram wiring diagram is a simplified up to standard pictorial representation of an electrical circuit. The ekey home. The figure below shows a single rs485 rs422 signal being transmitted. The wiring diagram displays the wiring of the ekey home converter knx rs 485. If you wish to transmit four signals then eight wires are needed. Variety of rs485 wiring diagram.
A twisted pair is ideal for rs485 cable since the twisting make both wires and exposed to an identical noise figure thus canceling the noise itself when received at the interface port. Environment rs485 serial modbus communications. The rs 485 specification officially called tiaeia 485 a does not specifically spell out how an rs 485 network should be wired. These guidelines and sound engineering practices are. A wiring diagram is a streamlined traditional pictorial representation of an electric circuit. The txd and txd lines carry transmit data while the rxd and rxd contain the receive data.
Figure 4 is a pin diagram for both 25 pin rs485 pinout half duplex and full duplex pinout connectors. Rs485 and rs422 drive lines in a differential fashion. This could lead to incorrect wiring so care should be taken to avoid inadvertently connecting. This application note is intended to provide basic guidelines for wiring an rs 485 network. Rs485 wiring diagram stylish rs485 wiring diagram sparkling rs485 wiring diagram high quality rs 485 changed into add at november 19 2017 at foursixteen pm by way of friedhelmzimmer and this rs485 wiring diagram elegant rs485 wiring diagram fresh rs485 wiring diagram amazing rs 485 wallpaper has viewed by using users. It reveals the parts of the circuit as simplified shapes and the power as well as signal links in between the gadgets.
Figure 3 is an rs485 wiring diagram for rs485 pinout db9 connectors. Proper wiring for rs 485. It shows the components of the circuit as simplified shapes and the knack and signal connections amongst the devices. Refer to the wiring diagram for the finger scanner for the wiring of the ekey home finger scanner and the lock. The distances these signals are carried is greater due to differential signals. The rs232 rs485 adapter circuit diagram is show below rs232 db9 is used as the rs232 port while only a terminal block is used as rs485 connector.
Activation notice extensive specialist knowledge is needed to configure a knx system.















