Installing a big bore kit on your yamaha qt50. Yamaha qt50 wiring diagram.
Eeda2ba 1979 Yamaha Qt50 Wiring Diagram Wiring Library
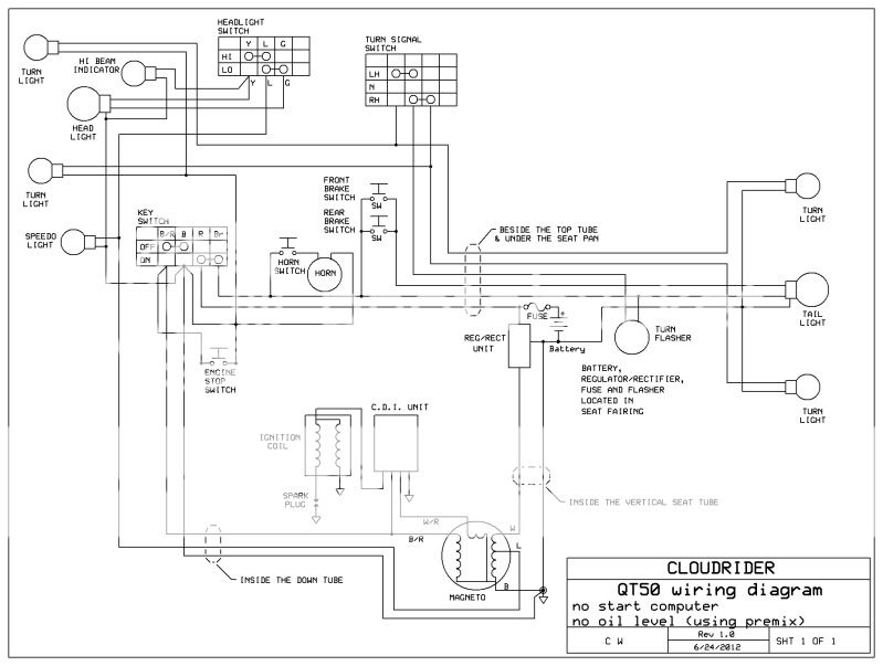
Qt50 wiring diagram. Hpi ignition install and setup. 2001 yamaha pw50 pw50n1 yamaha model code 5pg1. Qt50 carb diagram and basic carb adjustments. Heres a qt50 carburetor that i labeled. My current qt50 setup. Some of the older stock.
Qt50 mlm exhaust. This page is a list containing links to wiring diagrams for all moped models. Also see for yamaha qt50. Haut parleur motos yamaha scooter yamaha yamaha 125 schéma de câblage électrique motos. Yamaha qt50 owners manual 40 pages. This carb is actually a knock off carb but is pretty much an exact reproduction of the stock carb.
Motorcycle yamaha qt50g2 owners manual 39 pages motorcycle yamaha qt 50f service manual 65 pages motorcycle yamaha yz125t1 parts catalog. They are listed with the oldest bike first top of page newer bikes are below. Jemco exhaust temporary mount bracket. In total the parts lists contain five hundred fourteen parts. What should you pay for a yamaha qt50. Yamaha rd250 rz250 rd rz 250 electrical wiring diagram schematics 1973 to 1979 here.
Yamahopper qt50 service manual. Qt50 carb diagram and basic carb adjustments. Yamaha qt50 wiring diagram. Click on the thumbnail image to see a larger version. Some general wiringelectrical troubleshooting information can also be found here. Hard lessons learned from mopeds.
These exploded views give you insight on which spareparts you should probably replace. Yamaha qt50 yamahopper qt 50 electrical wiring diagram schematics 1979 to 1992 here. Yamaha at1 125 electrical wiring diagram schematic 1969 1970 1971 here. Do not contact me. Scroll down or use ctrlf to find the specific pw50 wiring diagram you need. The largest parts list carburetor contains thirty seven products for this qt50 2h 19801981 usa.
Just wanted to post a link to a yamaha qt50 wiring diagram. Wiring schematic electrical component locations on bike and wire color codes for us and canadian cdn dirtbike models. Web designers seo consultants etc. 7 août 2017 yamaha qt50 wiring diagramjpg 1400980 7 août 2017 yamaha qt50 wiring diagramjpg 1400980. Honda aero nb50 mail drop off. Yamaha qt50 wiring diagram.
Yamaha chappy lb80 wiring diagram. I had a qt50 that would stumble while accelerating and hesitate over bumps in the road. Honda nb50 aero 50 service manual. Related manuals for yamaha qt50. Especially the wiring coming out of the magneto and leading up through the main down tube on the bike. Wiring diagram except for australia and new zealand.

















