A new wiring loom was purchased and this was installed according to doug peltons tech tips. 1952 the mg workshop manual from m type to tf.
Honda Accord 2006 Wiring Diagrams Ground Distribution
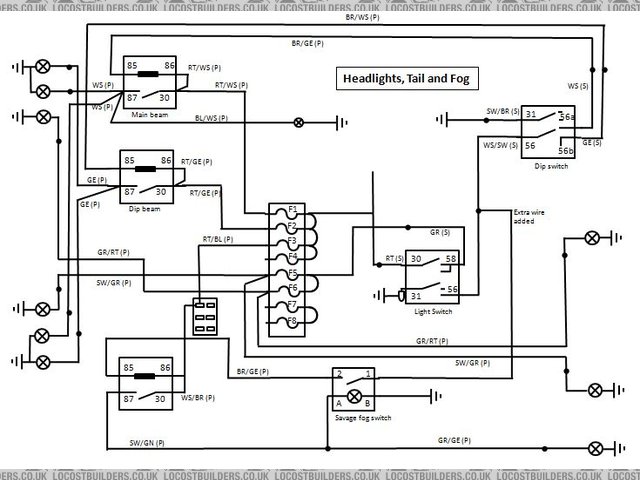
Mg tc wiring diagram. A smart alecks guide to buying a spitfire. June 16 2020 3. You may also like. October 22 2019 pint size project lucas wiring have 4 comments. Mg tc wiring diagram wiring diagram is a simplified good enough pictorial representation of an electrical circuit. October 22 2019 1.
The wires were carefully numbered and the dashboard loom was tested using a power supply with an inbuilt circuit breaker. 1954 the instruction manual for the mg series tc midget ball kenneth. Electrical lucas mike mcphail pint size projects wiring. Start connecting wires referring constantly to the enclosed schematic wiring diagram. 1952 mg td wiring harnesstc wiring harness. 1500 for references on the use of the db10 directional relay i relied heavily on a website.
It runs in the family. A number of in line fuses were installed under the dash. After completing the wiring on the dash lay up dash and secure with two screws loosely. Wiring diagram for an mg tc. 1968 mg autobook one blower w. Install new dash wiring.
Electrical wire harness wiring schematics wiring harness wiring diagram scion tc 2010. Take the dash and armed with a large pillow seat yourself in the tc with pillow on lap and dash up side down on pillow. Using a wiring diagram for the 1949 tc i made up the dashboard loom. This is the fun step. 1952 mg td wiring harness. It shows the components of the circuit as simplified shapes and the skill and signal links in the midst of the devices.















