800 x 600 px source. The company produces a variety of products including.
42 Best My Kubota Stuff Images Kubota Atv Polaris Ranger
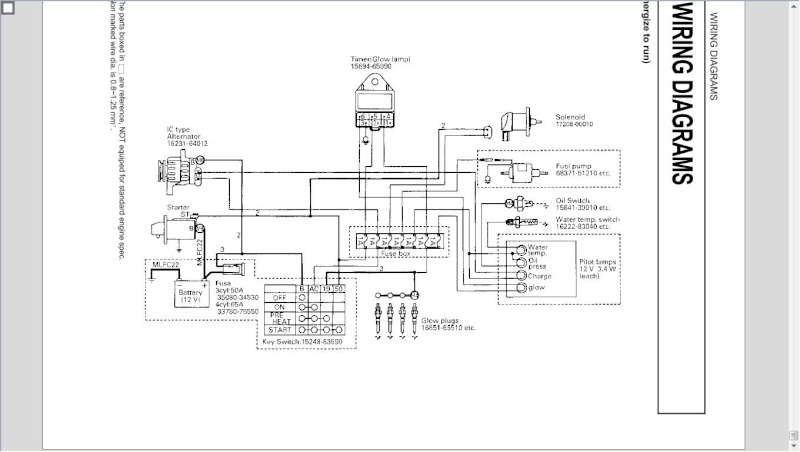
Kubota rtv x1100c radio wiring diagram. I have one in my kubota bx25 came with the console which is what i really wanted more than the radio all the switches and fan and light. View online or download kubota rtv x1100c operators manual. Rtv xc download pdf. Kubota rtv wiring schematic brex ddnss de rtv x900 wiring question rtv x900 wiring question utility vehicles full size sel rtv x1100c kubota rtv wiring schematic brex ddnss de rtv x900 wiring question rtv x900 wiring question utility vehicles full size sel rtv x1100c 957 kubota rtv plow wiring diagram library 32f83 kubota rtv 1100 wiring diagram library. Here are several of the leading illustrations we obtain from various resources we hope these pictures will work to you as well as hopefully really relevant to what you desire concerning the kubota tractor electrical wiring diagrams is. Frs offers 15 different radios for your choice of the same oem brands used by the manufacture.
Terrible radio really and speakers i think. Note about kubota rtv wiring schematic images name kubota rtv cooling fan diagram electrical wiring diagrams for kubota rtv wiring. Rtv wiring diagrams kubota rtv owners group forum. Thats the first thing gonna get changed this spring. Kubota rtv x1100c pdf user manuals. A wiring diagram is a simplified conventional photographic depiction of an electrical circuit.
Variety of kubota wiring diagram pdf. Kubota wiring diagram efcaviation size. The company was founded in 1890. It shows the parts of the circuit as simplified shapes and the power and signal links between the tools. The kubota tractor operator today wants a lot of features like bluetooth and satellite radio. Kubota dealers are our biggest customers for these new generation radios because our prices are better than the manufacture itself and our techs know how the.
Located under control panel quartz hour meter rseat sil elay abc brake switch start relay f clutch pto switch so ar stetrwg ate r mp gauge glow plug. Boss radio i think. Jpgkubota rtv xc pdf user manuals. Kubota rtv x1140 download. Kubota rtv x900rtv x1120d download. Kubota rtv x1100c download.
The console is supposed to be for rtvs i think but also fits the bx25. Kubota corporation is a manufacturer of tractors and heavy machinery located in osaka japan.














