Plus info on switches pots coil splitting and more. The worlds largest selection of free guitar wiring diagrams.
016b Hhs Wiring 5 Way Switch Wiring Library
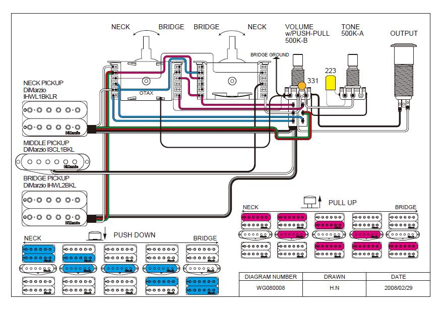
Hsh wiring diagram. Typically in positions 2 and 4 you would split the humbucker so you get long story short with no. Similarly the neck pickup is a humbucker in position 5 but a single coil in position 4. Click here to learn how to install your pickups. Hey everyonei am a noob taking on a bit more that i should. Refined search clear all. 12102018 12102018 1 comments on hsh wiring diagram 5 way switch 2 conductor humbucker.
Wiring diagram request and issues. But it is a learning experience. Email protected we endeavor to reply to most emails by the next business day. Some diagrams may be unavailable during this time. For standard 5 way wiring you only need one side of the switch. Easy to read wiring diagrams for guitars and basses with 3 pickups.
Single coils humbuckers humsingsing humsinghum and much more. I needed a standard hsh diagram fot a 5 way swith standard again so. Free download hsh wiring diagram wiring diagram hsh wiring diagram. Guitar wiring diagrams for tons of different setups. 1 718 816 8112 monday through friday 1100 am 300 pm eastern time or email. Humbucker strat tele bass and more.
I decided to swap out the pickups and pots. Wire it like the diagram but leave the 2 jumper wires off the 5 way the ones that go to the tone pot. In the interim please contact technical support. Hss hsh sss congurations with options for northsouth coil tap seriesparallel phase more. This diagram provides advice of circuit components as well as their placements. The diagram offers visual representation of the electric structure.
Ibanez 5 way switch diagram trusted wiring diagramrhdafpodsco. I have a fender mim hsh strat w1 vol and 2 tone pots. Our apologies for the inconvenience. Looking for this outcome or any other possibilities with the push pull pots. Hsh autosplit with a standard 5 way switch with optional coil split pushpull with a standard 5 way switch and a hsh humbucker single humbucker pickup configuration you can wire your 4 conductors humbucker pickups to get auto coil splitting in position 2 and 4. The 2nd tone pot is a pushpull.
Search by pickup type clear all. Hsh with autosplit in positions 2 4 this wiring setup gives you the bridge pickup as a humbucker in position 1 but as a single coil in position 2. I wanted to get better components add extra options. Hsh wiring diagram 5 way switch 2 conductor humbucker. On the other hand the diagram is a simplified variant of this arrangement. It makes the procedure for building circuit simpler.














