Rxv wiring diagram found in. 2010 ezgo rxv wiring diagram ezgo 48 volt diagram wiring diagram img 2010 ezgo rxv wiring diagram wiring diagram is a simplified within acceptable limits pictorial representation of an electrical circuit.
33 Best Golf Cart Images Golf Golf Carts Ezgo Golf Cart
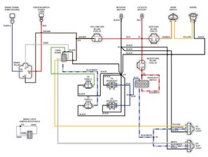
Ezgo rxv wiring diagram. Also see for ezgo rxv electric. E z go golf cars. E z go rxv electric service manual fits up e z go rxv electric service manual fits up e z go rxv gas. Ezgo txt wiring diagram 1997 ezgo txt wiring diagram 2001 ezgo txt wiring diagram 2005 ezgo txt wiring diagram every electric structure is made up of various unique pieces. E z go rxv freedom series two and four seaters standard and executive models. Each part should be placed and linked to different parts in specific way.
Electrical accessorieson both taillights use wiring diagram as a reference. E z go division of textron inc. Not merely will it help you accomplish your required results more quickly but also make the whole process simpler for everyone. It shows the components of the circuit as simplified shapes and the faculty and signal connections amongst the devices. Download petrol manual download electricnov 13 i work on club cars but was asked to check out a ez. Ezgo rxv owners manual and service manual 122 pages.
Each part should be set and linked to other parts in particular way. If you want to find the other picture or article about 2010 ezgo rxv wiring diagram ezgo. Ezgo wiring diagram youll need an extensive skilled and easy to understand wiring diagram. Reserves the right to incorporate engineering. Rxv wiring diagram found in. Otherwise the arrangement wont work as it should be.
Page 174 e z go division of textron inc 1451 marvin griffin road augusta georgia 30906. Visio 122110 1 1 85 86 87 30 brake lights relay 1010 ez go no e notice. With this sort of an illustrative guide youll be capable of troubleshoot avoid and total your tasks easily. E z go rxv electric service manual fits up e z go rxv electric service manual fits up e z go rxv gas. This drawing is the property of hi performance electric vehicle systems inc andor its subsidiaries and affiliates. Ezgo wiring diagram ezgo marathon wiring diagram ezgo rxv wiring diagram ezgo solenoid wiring diagram every electrical structure consists of various distinct parts.
Otherwise the structure will not function as it should be.















