Complete wiring diagrams and pin outs. Free online service and repair manuals for all models.
Wiring
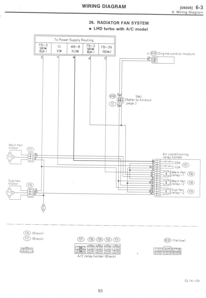
Ej20 wiring diagram. The subaru ej engine is a series of four stroke automotive engines manufactured by subaruthey were introduced in 1989 intended to succeed the previous subaru ea enginethe ej series is the mainstay of subarus engine line with all engines of this series being 16 valve horizontal flat fours with configurations available for single or double overhead camshaft arrangements sohc or dohc. Subaru ej20 wiring diagram pdf download. I have found some other manuals but unsure if they are for jdm model. Add in avcs bulkhead wiring 200 only for usdm 20 wrx harness running 2001 jdm sti price includes iwire avcs wiring kit and labor to install. After im reading this subaru ej20 wiring diagram pdf download it is very interesting. F4 1781cc 18l turbo 1984 f4 1781cc 18l 1982 forester.
I am swapping a jdm ej20k drivetrain in to my us 98 forester 25dohc mt. Factory five 818 s r c stand alone ems computers hydra aem link etc right hand drive vehicles. Especially if read this subaru ej20 wiring diagram epub when we are relaxing after a day of activities. Im working on pulling the wiring harness and the schematics in the ej writeup are quite helpful but still missing a lot im trying to label and figure out whats what so i dont miss anything. Let alone read more practical now be via. In fact i can barely change a battery.
Cruise control for dbw cars 200 non dbw cars will reuse factory setup cable throttle vehicles include cruise control by default auto to manual as part of a merge 200. I recommend reading this subaru ej20 wiring diagram kindle because this book contains many positive messages for us. B9 tribeca f6 30l dohc 2006 baja f4 25l sohc 2003 tribeca f6 36l 2008 brat. Q1 im not a wiring person. Upon request we offer custom wiring kits including different plugs andor wire lengths for popular builds such as. Anyone have copies of the ej22 wiring schematics for a 1990 legacy.

















