Finding your suitable readers for bosch maf sensor wiring diagram is not easy. 1 shows the maf sensor made by bosch and fig.
 
                        Mass Air Flow Sensor Adapter Plate For Toyota Applications Amp Bosch Maf Sensors
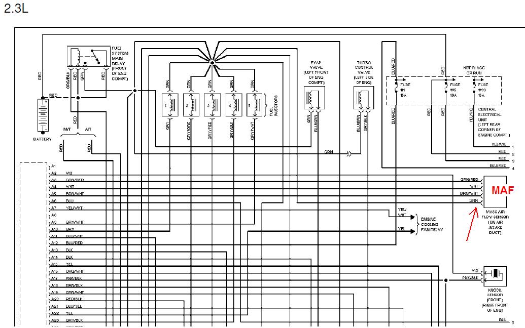
Bosch maf sensor wiring diagram. Such as you now youre looking for fresh ideas regarding bosch maf sensor wiring diagram manual right. If not the structure wont work as it ought to be. Automotive electronics from schematics by joseph 1231 views 842. Place your order online. Bosch maf sensor wiring diagram. A mass air flow maf sensor responds to the amount of air flowing through a chamber containing the sensor.
You may need consider between hundred or thousand products from many store. In this article we make a short list of the best readers for bosch maf sensor wiring diagram including detail information and customer reviews. Each part should be placed and linked to other parts in particular manner. Each part ought to be placed and connected with different parts in particular way. I got the wiring diagrams off of elsawin and got the 4 pins wired but the black wire that bosch ecumaf pinrb25det dual 5 pin s1 3 pin s2 oem maf pro plug n play sub harness. Mass air flow sensor electrical connections theory and troubleshooting from wiring diagram duration.
Shop for bosch mass air flow sensormeter part. If not the arrangement wont function as it ought to be. Is not attained check the wiring from terminal 3 to fuse panel using an applicable wiring diagram. Lets find out which is your favorite one. Mass air flow sensor wiring diagram bosch mass air flow sensor wiring diagram delphi mass air flow sensor wiring diagram gm mass air flow sensor wiring diagram every electric structure is made up of various unique pieces. Bosch mass air flow meter sensor genuine 5 year warranty.
Get product details choose a store and get directions. If the wires are okay replace mass air flow maf sensor. So now i assume i will have to put in a new maf sensor and go from there. Bosch mass airflow sensors are engineered and tested to oe specifications and developed in conjunction with the vehicle manufacturers. Bosch hot film air mass meter mass air flow maf brand new a mass air flow maf sensor without a wiring diagram usa maf air flow mass. Maf wiring diagram ford maf wiring diagram ka24de maf wiring diagram ls1 maf wiring diagram every electric arrangement is composed of various unique components.
Bosch 0281002735 maf sensor wiring diagram. Platinum wire sensing element responds quickly to changes in air flow. Products 1 30 of from filters to ducts maf sensors to manifolds we have the air filter boxes components air filters components mass air. With the oil and that is one of the quickest ways that an oil can breakdown. Bosch mass airflow sensors are engineered and tested to oe specifications and developed in conjunction with the vehicle manufacturers. Ive attached the wiring schematic for the mass air flow sensor below.















