If you have misplaced your manual there is no need to worry. In some cases where the home is older than the new electric oven heres what you would have to do.
Beko Pcb Control Board Bekospares Co Uk
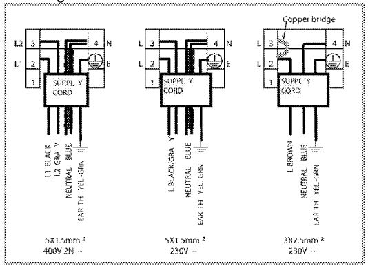
Beko oven wiring diagram. Fulltext index 97 wiring diagrampdf. Samsung lcd tv le46 55a956d chassis n59d samsungle46 55a956dchn59d. Consumer appliances 2020 ed as per major appliances definition retail volume sales in units 2019 data. Always use heat resistant oven gloves when putting in or removing dishes intofrom the hot oven. Samsung lcd tv le26m51b le32m51b le32m61b le40m51b le40m61b le66m51b le40m61bx wiring diagrampdf. Where the wires are connected to the electric oven you will need to install the bonding crimp sleeve to bond the grounded wire and the neutral wire as shown in the 3 wire hook up wiring diagram below.
Wiring diagram beko. R101 4r7 safety res in line dr feed oc due to line dr tfmr having shorted turns pri winding should read 4r2 pt no be051709. Forum matches check found in. Ta914 off button on front panel can substitute ta912 av button if not used. I need a wiring diagram for beko oif22300x oven. Can i put tin foil on the bottom of the appliance.
Beko manuals contain helpful information about your appliance as well as tips and advice on installation and maintenance. The collection contains complete information of excellent quality for beko household appliances. Oven handle is not towel dryer. With the rear panel of the cooker removed not sure which answered by a verified uk appliance technician we use cookies to give you the best possible experience on our website. Source euromonitor international limited. What size power cable does my oven require.
Beko hri64401at induction hob electrical wiring by ferdinando brito wednesday 05 october 2016 published in in this short article we will show you the correct electrical wiring for the beko hri64401at induction hob. Wiring cooker oven terminal block how to wire cooker oven video duration. How do i replace the light in my beko oven. Do not use the product if the front door glass removed or cracked. Complete technical data is provided for all models of household appliances. Goes off on int.
How to connect wire cooker wiring cooker connection unit ccu duration. These free archives contain schematic diagrams service manuals assembly drawings part lists and lists of consumables. Do not hang up towel gloves or similar textile products when the grill function is at open door.













