Orifice tube systems or expansion valve systems or a combination of the two which is found in rear air conditioning systems. The schematic diagram as shown in figure 11 has illustrated the operation of the automotive air conditioning system.
Car Engine Air Conditioning A C Compressor Basics
Auto ac compressor wiring diagram. Wash off any spilled oil immediately. In this article we examine how to test troubleshoot and recharge your rvs air conditioning system. This unit is composed of three parts the clutch plate the hub and the coil. Refrigerant oil can damage the vehicles paint. Air conditioner compressor clutch not engaging. Using the wrong type of compressor oil may cause excessive noise and shorten the ac compressors life.
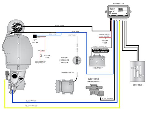
Automotive air conditioning system diagram automotive. Check compressor clutch wiring electrical connections and compressor clutch and repair or replace as. In a few car models the power of the air conditioning system flows from the ac switch to the fuse before being transmitted to the clutch oil through the low pressure evaporator temperature. Servicing your dash air doesnt have to be difficult. San antonio tx 78266 p. Looking at the diagram below as an example this is for a manual ac system from a chevy truck you can see that the black blk wire from the compressor depicted on the left lower portion of the diagram is the ground and runs through a ground distribution cell before grounding to the the frame or engine at g102.
The ac compressor clutch is an electromagnetic device that engages the air conditioning compressor. Have the system evacuated charged and leak tested by an mvac certified technician utilizing approved recoveryrecycling equipment. Vintage air 18865 goll st. All our auto ac parts are guaranteed against manufacturer defect for a full year after purchase. Wiping up spill will press oil into paint and not protect the vehicle an open oil can absorbs moisture. Air conditioner system is discharged.
You have to make sure that the compressor has enough oil to function properly. Checking the wiring on the air conditioning compressor romanautomotive. The automotive compressor is wired to a cars electrical system through the wiring harness connected primarily by an electric clutch. This is just to check the wiring on the air conditioning unit to make sure it was working properly. This clutch has a power lead that can also serve to power a throttle solenoid raising the engine idle on older vehicles to compensate for the added drain of the compressor.

















