F2 mcb kontrol. Motor 3 phase diopersikan dengan menggunakan pengasutan sistem bintang segitiga yang mana motor 3 phase ini akan terus mengisi sampai batas atas pengisian yang telah ditentukan dan bila sudah sampai batas atas motor akan berhenti bekerja dan akan bekerja kembali jika air dalam bak sudah sampai.
2001 F350 Wiring Diagram Wiring Diagram
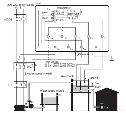
Wiring diagram wlc pompa. Penjelasan pada gambar. Qf 2 overload pompa 2. K1 kontaktor pompa 1. To read a wiring diagram initially you have to recognize just what essential aspects are consisted of in a wiring diagram and also which photographic icons are used to represent them. Wlc 2 water level control pompa 2. The typical elements in a wiring diagram are ground power supply wire as well as connection output tools switches resistors reasoning gateway lights etc.
Rangkaian otomatis pompa air dengan wlc dan radar. Ahmad sulthoni 10466 views. Qf 1 overload pompa 1. Wiring diagram panel amf ats with contactor duration. K2 kontaktor pompa 2. Sumber teknik 7316 views.
Motor 3 phase digunakan untuk mengisi air dan motor 1 phase digunakan sebagai zat pencampur. Why we called a single phase submersible motor a 3 wire submersible that we also know that we have two wire in single phase power supply. Wlc 1 water level conttrol pompa 1. Today i am hear to write about submersible pump control box wiring diagram in this post you will complete understood about 3 wire submersible pump wiring diagram which is an single phase submersible pump motor. Gambar diagram kontrol pompa. Rangkaian water level control wlc pada pompa air dengan menggunakan pelampung imroee rangkaian water level control atau yang sering disingkat dengan wlc atau rangkaian kendali level air merupakan salah satu aplikasi dari rangkaian konvensional dalam bidang tenaga listrik yang diaplikasikan pada motor listrik khususnya motor induksi untuk pompa air.
Ikutilah langkah kerja yang sudah di terangkan di atas. F1 mcb power. Rcb pengaman phase.

















