Toyota land cruiser 2000 electrical wiring diagram supplement bulletin 45 pages free toyota land cruiser 2004 electrical wiring diagram ewd548u. The below article was written back in 2010 just after finishing the conversion.
4lo Blinking 4lo Blinking What Does It Mean Is There
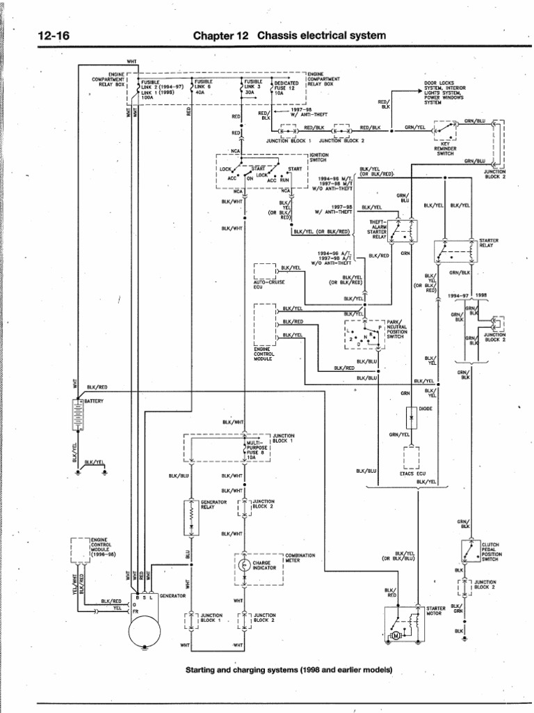
1vd ftv wiring diagram. All able to be printed as many times as needed. It really is a 32 valve dohc with common train gasoline injection and each one or two adjustable geometry turbochargers. For common information to all crss refer to the previously published crs general addition manual doc id. All transmissions that are suited are fully covered. All fully linked and working. There are full diagrams and detailed information about every system within the vehicle.
Toyota 1az fe1az fse2az fe engine repair manual enrar a collection of english manuals on the maintenance and repair of toyota engines models 1az fe 1az fse 2az fe. Repair manual electrical wiring diagram body repair new car features service data sheet all car units service repair troubleshooting installation removal components diagrams inspection replacement wiring diagrams trouble codes other information. This manual describes the common rail system crs installed on the land cruiser 200 series 1vd ftv engine. The toyota 1vd ftv system could be the first v8 diesel engine generated by toyota. 1vd ftv 45l v8 32 valve dohc d 4d turbo diesel. Engines that are covered are.
45 l 1vd ftv v8 turbodiesel. One of those last 4. Once there we try to find out how it works. 1vd ftv 45l v8 32 valve dohc d 4d turbo diesel repair manual electrical wiring diagram body repair new car features service data sheet all car units service repair troubleshooting installation removal components diagrams inspection replacement wiring diagrams trouble codes other information description. Toyota 1991 2005 wire harness repair manual enpdf manual in english for repairing wiring of toyota cars. Having done a few engine conversions before i decided the 105 was the perfect candidate for a transplant and with the availability of toyotas then new 1vd ftv 45l common rail v8 a plan was born.
As a result of a model change toyotas first v 8 engine the 1vd ftv has been installed in the toyota land cruiser 200 series. This manual describes the common rail system crs installed on the land cruiser 70 1vd ftv engine. 200 series 1vd ftv engine common rail system cr 29 pages free toyota land cruiser 2007 toyota new land cruiser 70 1vd ftv engine common rail system crs repair manual 32 pages free. As a result of a model change toyotas first v 8 engine the 1vd ftv is installed in the toyota land cruiser 70. For common information to all crss refer to the previously published crs general addition manual doc id. Fully detailed electrical wiring diagrams.
Can fix engines with out knowing exactly what it is and the injection system used.
















